Takaisin

Tiedot tiivistettynä

Käytetään LS-linjassa niissä kohteissa, missä LS-pumpun säädin vuotaa öljyä läpi ja syötettävä LS-virtaus ei riitä

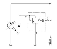
PVFC toimitetaan aina LS-ohjattavana paineensäätimenä. (Kuva1)
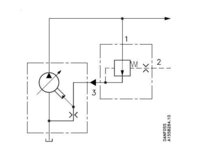
PVFC voidaan muuttaa LS-ohjatuksi paineenalennus venttiiliksi. (Kuva2)
Koodi Max paine (bar) Max virtaus (l/min) Pakkauskoko (kpl)
D158H805500   300 3 1

LS-Vahvistinventtiili

Tulosta esite

Takaisin