Takaisin
Kompressorit

KLVM - Kuormanlaskuventtiili EPM ja EPRM-moottorille

Tulosta esite
Tuoteryhmissä:

Tiedot tiivistettynä

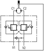
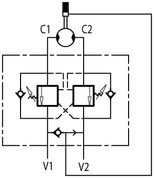
Kaksoiskuormanlaskuventtiili EPM ja EPRM -moottoreille. Sisäänrakennettu vaihtovastaventtiili jarrun avaamista
varten

  • Oleodinamica Marchesini VBCDDEOMP
Koodi Avautumissuhde Max. työpaine (bar) Sisäkierre (BSP) Max. virtaus (l/min) Pakkauskoko (kpl)
KLVM-08   1 : 4,5 350 1/2” 50 1

KLVM - Kuormanlaskuventtiili EPM ja EPRM-moottorille

Tulosta esite

Takaisin