Takaisin
Väliasenteiset venttiilit Cetop

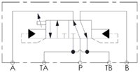
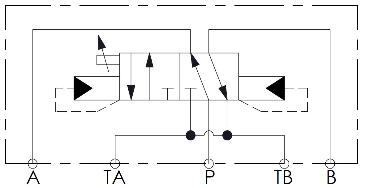
Virtauksesta suuntaa vaihtava venttiili

Tulosta esite
Tuoteryhmissä:

Tiedot tiivistettynä

4/2- suuntaventtiili, joka vaihtaa asentoa kun virtaus loppuu.
Venttiilillä saadaan aikaiseksi esimerkiksi sylinterin edestakainen liike.

  • Ei sovi moottori käyttöön
  • Luotettavan toiminnan takaamiseksi tarvitaan vähintään 6l/min virtaus.
Koodi Max. työpaine (bar) Max. virtaus (l/ min) Nimelliskoko (mm) Standardi Pakkauskoko (kpl)
AT-MDAF-080-ANNR   350 80 10 Cetop 5 1

Virtauksesta suuntaa vaihtava venttiili

Tulosta esite

Takaisin