Takaisin
Minikoneikot ja osat HYDRONIT

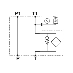
Väliasenteinen paluusuodatin Hydronit-koneikkoon

Tulosta esite

Tiedot tiivistettynä

Hydronit PPC-sarjan paluusuodatin. Asennettavissa Cetop-pohjalaatan alle. Vaihdettava suodatinelementti.

  • max virtaus 20l/min
  • tankkilinjaan (1/8" BSP) voidaan kytkeä tukkeutumisanturi tai painemittari
  • suodatus 15 μ
Koodi Selite Pakkauskoko (kpl)
HN-E60403020   Asennuslaatta+suodatinelementti 1
HN-FO201385   Suodatinelementti 1

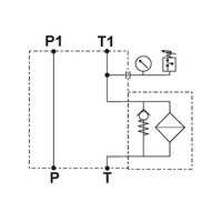
Väliasenteinen paluusuodatin Hydronit-koneikkoon

Tulosta esite

Takaisin