Takaisin
Etukuormainventtiilit

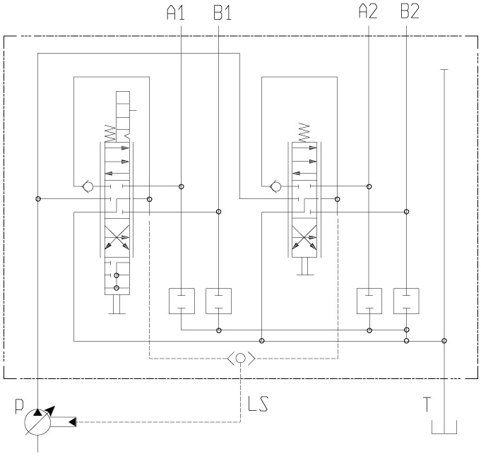
Etukuormainventtiili LS-järjestelmiin

Tulosta esite
Tuoteryhmissä:

Tiedot tiivistettynä

Etukuormainventtiili kuormantunteviin LS-järjestelmiin. Varustettu shokkiventtiileillä ja yhdellä kelluvalla karalla.

  • Etukuormaajaventtiili LS-järjestelmiin
  • suurin virtaus 80l/min
  • työpaine max. 250bar
  • toinen kara kelluvalla 4. asennolla
  • shokkiventtiilit kaikissa työporteissa
  • P ja T portit G3/4"
  • A1, A2 ja B1, B2 portit G1/2"
  • valmiit Indermarin vaijereihin sopivat jousikupit
  • valitse sopivat kaapelit ja joystick mielesi mukaan
Koodi Suurin virtaus (l/min) Suurin paine (bar) Pakkauskoko (kpl)
AMI012MDS   80 250 1

Etukuormainventtiili LS-järjestelmiin

Tulosta esite

Takaisin