Takaisin
Apuventtiilit

FR3S - Vasaraventtiili

Tulosta esite

Tiedot tiivistettynä

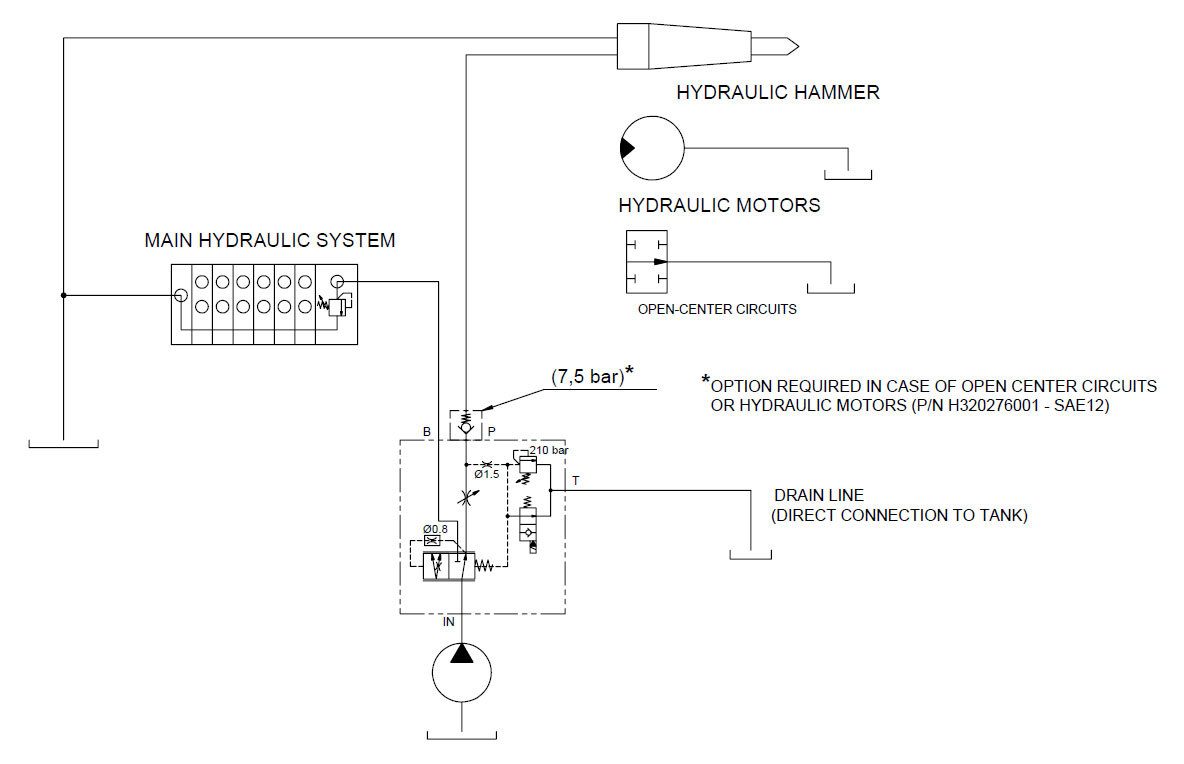
FR3S. Venttiilillä voidaan sähköisesti ohjata säädetty virtaus esim. hydraulivasaralle ja jättää osa virtauksesta sylintereiden ja muiden toimilaitteiden ohjaukseen. Ympäripumppaaviin järjestelmiin.

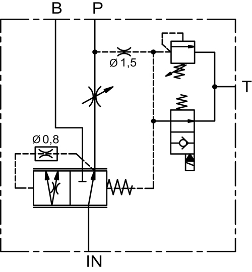
  • säädettävä paineenrajoitusventtiili vasaralinjalle P (pos.1) painealue 50-350bar. HUOM! EI SÄÄDÄ PAINETTA LINJASSA B, EIKÄ LINJASSA IN.

  • normaalisti auki oleva tankkilinja, sähköohjattu patruunaventtiili (pos. 2)

  • tankkilinjan T maksimi vastapaine 1,5bar

  • P-linjan virtaus säädettävissä (pos. 3)

  • tankkilinjan ollessa auki, on P-linjassa oltava vähintään 7,5bar vastapaine

  • vastapaine saadaan P-linjaan tarvittaessa takaiskuventtiilillä FR3S-FPR

  • kela ei sisälly hintaan. Sopiva kela esim. CT-9200

  • Virtausta lisätään kääntämällä säätöruuvia myötäpäivään

     

Patruunaventtiilin ollessa auki (normaaliasennossaan) linjaan IN tuleva virtaus johdetaan linjaan B.

Kun patruunaventtiilille johdetaan sähkö (venttiili sulkeutuu), saadaan virtaus jaettua vasaralle linjaan P ja muille toimilaitteille linjaan B. Linjaan B kytkettäviä laitteita ovat koneen normaaliin toimintaan liittyvät toiminnot, kuten sylinteriliikkeet.

HUOM!! VASARAVENTTIILIN "VASARALINJAAN" TARVITAAN TAKAISKUVENTTIILI FR3S-FPR TARVITTAVAN VASTAPAINEEN SAAMISEKSI.

 

Koodi Kierteet (BSP) Max tulovirtaus (l/min) Max säädetty virtaus (l/min) Tehdasasetus (l/min) Virtauksen lisäys/kierros (l/min) Pakkauskoko (kpl)
FR3S-08-350NO   1/2" 100 85 30 18 1
FR3S-12-350NO   3/4" 200 140 30 20 1
FR3S-16-350NO   1" 300 220 30 26 1
FR3S-20-350NO   1 1/4" 400 300 30 28 1

FR3S - Vasaraventtiili

Tulosta esite

Takaisin