Takaisin
Proportionaaliventtiilit

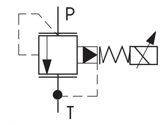
AH-SR4P2 - Proportionaalinen paineenrajoituspatruuna SAE10

Tulosta esite

Tiedot tiivistettynä

Esiohjattu proportionaalinen paineenrajoituspatruuna SAE10, 7/8-14 UNF 2/2 venttiilirunkoon. Jopa 60l/min virtauksille.

  • max. paine 350bar
  • suurin virtaus 60l/min
  • SAE 10/2 cavity
  • suunniteltu jatkuvaan paineensäätöön
  • saatavana kolmella eri painealueella
  • vakiona mukana 24VDC mallissa DIN-pistokkeellinen kela
  • kelojen max. virrat 12VDV = 1A ja 24VDC = 0,6A
  • käytetty kelan malli Argo Hytos C19B-P-12 tai C19B-P-24
Koodi Painealue Kelan jännite (VDC) Kelan tyyppi Pakkauskoko (kpl)
AH-SR4P2-B2H21-12E12   0-210 12VDC Deutsch DT04-2P - axial direction 1
AH-SR4P2-B2-H12-24E2   0-120 24VDC EN 175301-803-A diodilla 1
AH-SR4P2-B2-H21-24E2   0-210 24VDC EN 175301-803-A diodilla 1
AH-SR4P2-B2-H35-24E2   0-350 24VDC EN 175301-803-A diodilla 1

AH-SR4P2 - Proportionaalinen paineenrajoituspatruuna SAE10

Tulosta esite

Takaisin