Takaisin
Paineventtiilit

KLVBP - Kuormanlaskuventtiili banjomalli

Tulosta esite
Tuoteryhmissä:

Tiedot tiivistettynä

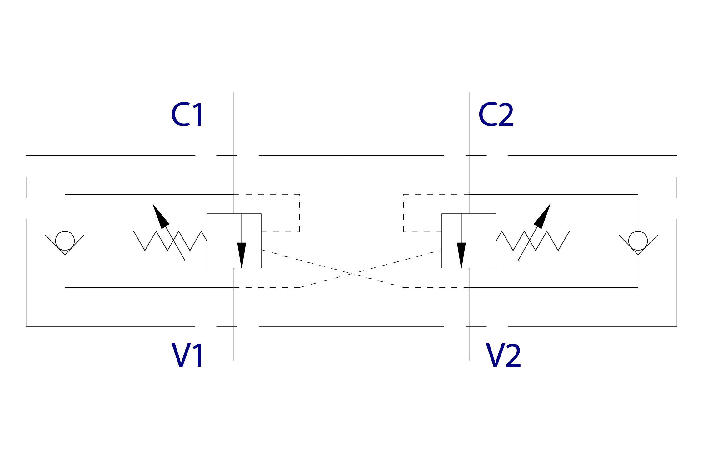
Kaksipuoleinen kuormanlaskuventtiili on vastapaineventtiili, jota voidaan käyttää esim. puomin paikalla pitämiseen ja pehmeään alaslaskuun. Toinen työkanava ei aukea ennen kuin toisen kanavan ohjauspaine nousee yli asetetun minimiarvon. Voidaan liittää banjopultilla ja -putkella suoraan sylinterin kylkeen.

  • toimii myös letkurikkoventtiilinä asennettaessa suoraan sylinterin kylkeen
  • paineenrajoituspatruunan säädetyn paineen tulee olla min. 1.3 kertainen suurimpaan kuormanpaineeseen nähden. Esim. 320bar asetuksella kuorman paine korkeintaan 245bar
  • paineenrajoituspatruunan vakioasetus 320bar (max. 350bar)
  • Oleodinamica Marchesini VBCD DE FLV
Koodi Kierteet (G) Ohjaussuhde Max työpaine (bar) Max virtaus (l/min) Valmistajan malli Valmistajan koodi Pakkauskoko (kpl)
KLVBP-06   3/8" 1:4,5 350 40 VBCD ⅜” DE/A FLV V0422/FLV 1
KLVBP-08   1/2" 1:4,5 350 60 VBCD ½” DE/A FLV V0432/FLV 1

KLVBP - Kuormanlaskuventtiili banjomalli

Tulosta esite

Takaisin