Takaisin
Anturit ja kytkimet

32-PK692 Painekytkimet max. 400bar SPDT ≤ 250V, säätönupilla

Tulosta esite
Tuoteryhmissä:

Tiedot tiivistettynä

SPDT painekytkin kolminapaisella kytkennällä. Runkomateriaali sinkittyä terästä. Säädettävissä helposti säätönupilla.

  • max kytkentäjännite ≤ 250V
  • max kytkentävirta (ks. tekniset tiedot)
  • mäntätoiminen kytkentä
  • kierteen tasotiivistys NBR+teflon
  • vakiona G1/4" sisäkierre
  • haluttu painearvo voidaan säätää säätönupista
  • sähkökytkentä DIN43650-pistokkeella
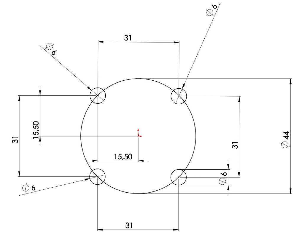
  • Pulttikehän muodostaman ympyrän halkaisija 44mm
Koodi Painealue (bar) Pakkauskoko (kpl)
32-PK69223015   8-150 1
32-PK69223016   40-400 1

Liittyvät tuotteet

32-PK692 Painekytkimet max. 400bar SPDT ≤ 250V, säätönupilla

Tulosta esite

Takaisin