X
Kirjaudu sisään
020 1133 500
Etusivu
Tuotteet
Yritys
Ajankohtaista
Tekninen tuki
Yhteystiedot
Takaisin
Tuotteet
Teollisuusletkut ja -liittimet
Liittimet ja liitintarvikkeet
SSMARPOL - Marpol DIN86282 laippa HST
Takaisin
Liittimet ja liitintarvikkeet
SSMARPOL - Marpol DIN86282 laippa HST
Tulosta esite
Tuoteryhmissä:
Haponkestävät liittimet
×
Edellinen
Seuraava
Tiedot tiivistettynä
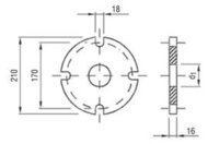
Kansainvälinen laivateollisuuden laippaliitin Marpol DIN86282.
Materiaali AISI316L
Koodi
Sisä Ø (mm)
Ulko Ø (mm)
Paksuus (mm)
Pultin reiät
Pakkauskoko (kpl)
SSMARPOL-3-100
90,3
210
16
4 x M16
1
SSMARPOL-4-100
115,9
210
16
4 x M16
1
Anna määrä
kpl
Voit lisätä enintään
kpl
Määrä virheellinen
Lisää koriin
SSMARPOL - Marpol DIN86282 laippa HST
Tulosta esite
Takaisin