X
Log in
020 1133 500
Home
Products
Company
News
Technical support
Contact info
Back
Products
Hydraulic components
Valves
Mobile valves
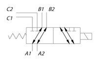
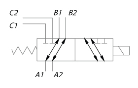
Sähkötoiminen 6/2 venttiili - SVV90
Back
Mobile valves
Sähkötoiminen 6/2 venttiili - SVV90
Print brochure
In product groups:
,
×
Previous
Next
Tiedot tiivistettynä
SVV-90.PDF
Koodi
Jännite (V)
Portit (BSP)
Pakkauskoko (kpl)
SVV90-08-12
12
1/2"
1
SVV90-08-24
24
1/2"
1
Anna määrä
kpl
Voit lisätä enintään
kpl
Määrä virheellinen
Lisää koriin
Related products
Related pages
Connectors and cables
Sähkötoiminen 6/2 venttiili - SVV90
Print brochure
Back