X
Log in
020 1133 500
Home
Products
Company
News
Technical support
Contact info
Back
Products
Hydraulic components
Motors and cylinders
Hydraulic motors
Gerotor motors
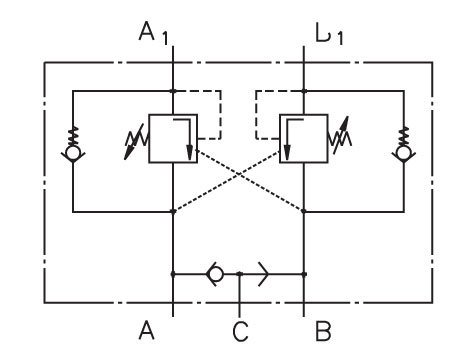
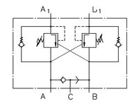
Kuormanlaskuventtiili Meta
Back
Gerotor motors
Kuormanlaskuventtiili Meta
Print brochure
In product groups:
×
Previous
Next
Korvattu toisella tuotteella
Tiedot tiivistettynä
Meta_kuormanlaskuventtiilit.pdf
Koodi
Malli (Meta)
Moottoreille
Pakkauskoko (kpl)
KLVMT-12
VAKT2
Meta EPMT/Danfoss OMT
1
Anna määrä
kpl
Voit lisätä enintään
kpl
Määrä virheellinen
Lisää koriin
Related products
Kuormanlaskuventtiili Meta
Print brochure
Back