X
Log in
020 1133 500
Home
Products
Company
News
Technical support
Contact info
Back
Products
Hydraulic components
Oil tanks and accessories
HJKT - Hydrauliikan kokoajatukki
Back
Oil tanks and accessories
HJKT - Hydrauliikan kokoajatukki
Print brochure
In product groups:
Hydraulic tank accessories
×
Previous
Next
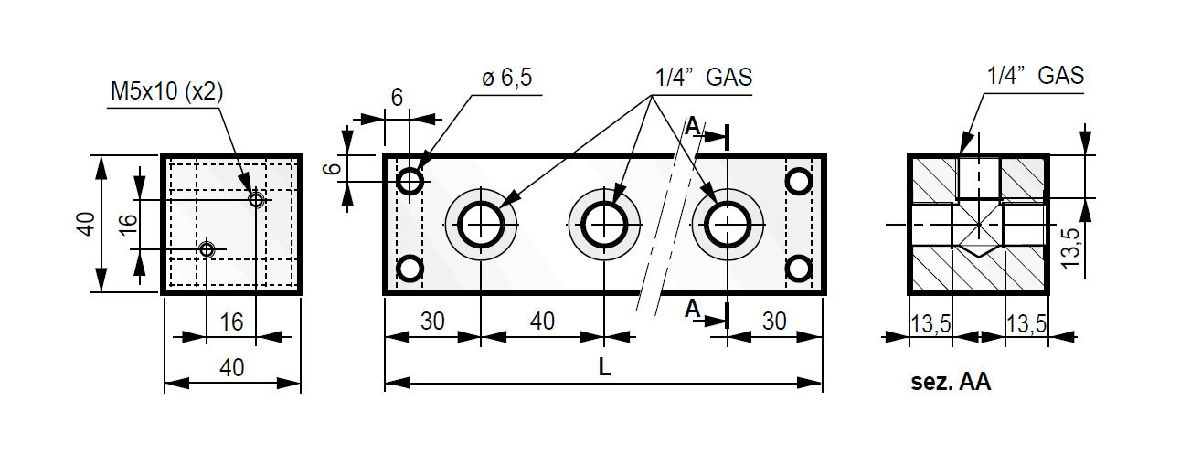
Tiedot tiivistettynä
Koodi
Kierre (BSP)
L (mm)
Pakkauskoko (kpl)
HJKT-4X04
1/4"
180
1
HJKT-5X04
1/4"
220
1
Anna määrä
kpl
Voit lisätä enintään
kpl
Määrä virheellinen
Lisää koriin
Related products
HJK1 - Distribution manifold
HJKT - Hydrauliikan kokoajatukki
Print brochure
Back