Back
Hydraulic hose reels

Hydraulic hose reel Galli Erio 4.071

Print brochure
In product groups:
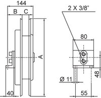
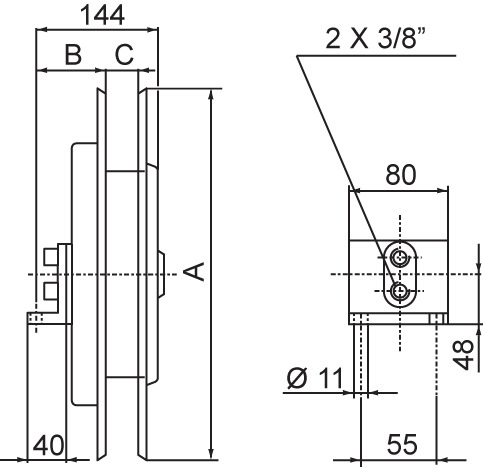
Koodi Galli Erio tyyppi Letkun pituus 3/8" (mm) Pyörimissuunta A Ø (mm) B (mm) C (mm) Pakkauskoko (kpl)
LK-G071003D   4.071.003FMD3/8 5500 oikea 400 70 36 1
LK-G071003S   4.071.003FMS3/8 5500 vasen 400 70 36 1
LK-G071004D   4.071.004FMD3/8 6500 oikea 420 70 36 1
LK-G071004S   4.071.004FMS3/8 6500 vasen 420 70 36 1
LK-G071005D   4.071.005FMD3/8 8000 oikea 470 70 36 1
LK-G071005S   4.071.005FMS3/8 8000 vasen 470 70 36 1

Hydraulic hose reel Galli Erio 4.071

Print brochure

Back