Back
Auxiliary valves

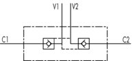
Douple pilot operated check valve - VBPDE

Print brochure
In product groups:

Tiedot tiivistettynä

Ohjattu sulkuventtiili on suunniteltu lukitsemaan esim. sylinteri, ettei vuotoa synny, kun ohjausventtiili on neutraalissa asennossa. Lukitusventtiilit toimivat varmistusventtiileinä päästäen virtauksen sylinteriin ja estäen takaisinvirtauksen siihen saakka, kunnes ohjauspainetta saadaan piirin vapauttamiseksi.

Koodi Kierre (BSP) Max työpaine (bar) Max virtaus (l/min) Pakkauskoko (kpl)
FPD-04   1/4" 350 20 1
FPD-06   3/8" 350 35 1
FPD-08   1/2" 350 50 1
FPD-12   3/4" 300 100 1
FPD-08-18   1/2'' / Dkol 18 350 50 1

Douple pilot operated check valve - VBPDE

Print brochure

Back