X
Log in
020 1133 500
Home
Products
Company
News
Technical support
Contact info
Back
Products
Hydraulic components
Valves
Mobile valves
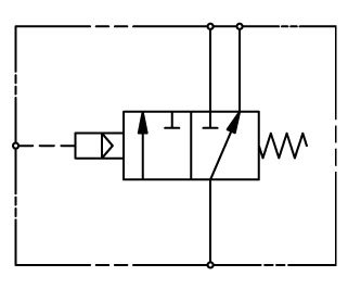
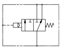
Paineilmaohjattu 3-tieventtiili
Back
Paineilmaohjattu 3-tieventtiili
Print brochure
In product groups:
,
×
Previous
Next
Tiedot tiivistettynä
DFP3_tekniset_tiedot.pdf
DFP3_painehaviot.pdf
DFP3-2018.pdf
DFP3-2018_FI.pdf
Koodi
Virtaus max (l/min)
Tuloliitäntä (BSP)
Lähtöliitäntä (BSP)
Pakkauskoko (kpl)
DFP3-12
250
1"
3/4"
1
DFP3-16
250
1"
1"
1
Anna määrä
kpl
Voit lisätä enintään
kpl
Määrä virheellinen
Lisää koriin
Paineilmaohjattu 3-tieventtiili
Print brochure
Back