
We offer comprehensive design solutions for hydraulic and pneumatic systems. With our experienced technical expertise, we help you find optimal solutions for your project.
We act as a solution partner in design and development. Our experience brings proven solutions to the table. We are happy to participate in the product development process and help find technically and economically sound solutions.

We have proven solutions for many industrial sectors – for individual machines and serial production. We are a Bosch Rexroth Mobile Solutions partner.


Parker IQAN control systems expert – We design and implement comprehensive mobile hydraulics control solutions with Parker IQAN systems. The IQAN platform gives you full control over hydraulics and machine operation: intelligent diagnostics, remote monitoring and programming capabilities make the system future-proof.
We design OMFB PDV74 mobile block assemblies flexibly according to customer requirements. The modular structure enables fast and flexible configuration for your specific machine needs.

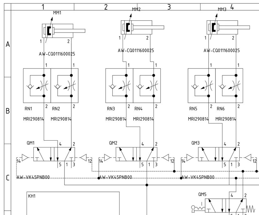
We design and size Aignep Infinity compressed air networks efficiently and energy-economically. The modular system enables fast installation and easy expandability.

Around the system there are often support processes: piping, lubrication, cooling, measurement and control. We help design these to fit the overall system.

Correctly selected and sized components are the foundation of operational reliability. We have modern hydraulic simulation software to support sizing and analysis. We help find durable and easily maintainable solutions from the early design phase.
Our experience from many industrial sectors helps find working solutions – sometimes with a small change, sometimes with rethinking.
We have modern hydraulic simulation software to support sizing. We ensure that components are correctly sized for operating conditions.
From our selection of over 200 manufacturers, we find products that fit your system – regardless of a single brand.
Yksinkertaiset mallinnustarpeet hoidamme itse, ja laajemmat kokonaisuudet voimme tarvittaessa toteuttaa kumppaniemme kautta.
Hyvin suunniteltu asennus nopeuttaa käyttöönottoa ja vähentää virheitä. Teemme selkeät asennussuunnitelmat ja ohjeistukset kone- ja laitevalmistajille.
Mietitkö, miten nykyinen järjestelmäsi voisi olla tehokkaampi käytössä tai yksinkertaisempi valmistaa?
We are happy to help with your project planning and implementation.